沧州信益生产经营:法兰、弯头、三通、大小头、封头及疑难管件,材质包括碳钢、合金、不锈钢,来站联系可免费提供技术支持及商务建议!
专注法兰管件生产30载以上
专业生产高压法兰,船标法兰,外标法兰
联系方式
技术报价-柏经理:18631758559
领价格表和标准-柏经理:18631758559
您当前的位置: 主页 > 法兰标准大全 >

法兰标准大全

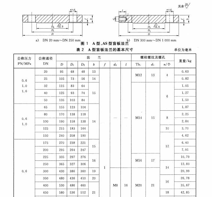
GBT4450-2008
GBT4450-2008船用盲板钢法兰
材料:不锈钢 碳钢 合金钢
交期:标准法兰常年现货
描述:联系站长免费领取法兰标准及重量表
规格: DN20-DN3000
在线咨询
  • 产品详情
    本标准代替了GB\T4450-1995船用盲板钢法兰

    船用法兰
    取消了AS型BS型的DN10mm规格,扩大了公称通径规格,A型AS型DN300以上加一个螺栓孔,修改了B型BS型的尺寸。

    船用盲板
    本标准规定了法兰的连接尺寸按GB\T569 GB\T2501的船用盲板法兰的分类、要求、试验方法、检验规则、标志、包装和储存。


    适用于公称压力不大于1.6兆帕的,介质为空气、海水、淡水、油、和工作温度不高于300摄氏度的蒸汽盲板法兰的设计、制造和验收。


      需要原标准的朋友可以联系站长免费提供本标准全套。